YXC系列磁助式電接點壓力表和YX系列直接作用是電接點壓力表,使用于測量對銅和銅合金不起腐蝕作用的液體氣體等介質壓力。儀表經與相應額電氣器件(如繼電器以及交流接觸器等)配套使用,即能對被測(控)壓力系統實現自動控制和發信(報警)的目的。
主要技術參數
1、測量范圍
(1)壓力表: (0~0.1)MPa;(0~0.16)MPa;(0~0.25)MPa;(0~0.4)MPa; (0~0.6)MPa;(0~1)MPa;(0~1.6)MPa;(0~2.5)MPa; (0~4)MPa;(0~6)MPa;(0~10)MPa;(0~16)MPa; (0~25)MPa;(0~40)MPa;(0~60)MPa;
(2)壓力真空表: (-0.1~0.06)MPa;(-0.1~0.15)MPa (-0.1~0.3)MPa;(-0.1~0.5)MPa (-0.1~0.9)MPa;(-0.1~1.5)MPa (-0.1~2.4)MPa
(3)真空壓力表:(-0.1~0)MPa
2、準確度等級:1.6級
3、最高工作電壓及觸頭功率:
YXC系列 220V.DC 380V.AC 30VA
YX 系列 220V.DC 380V.AC 10VA
4、使用環境條件
環境溫度:(-40~+70)℃
相對濕度:≤85% RH
5、溫度影響:實際使用溫度偏離20±5℃時其附加誤差不大于0.4%/10℃ 設定點偏差不大于0.6%/10℃。
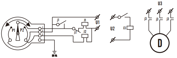
電氣線路連接方式

圖中:P1為下限觸點;P2為上限觸點指針為動觸點 J1、J2可使用繼電器或交流接觸器,J3為交流接觸器, j1為J1的常開觸點, j2為J2常閉觸點,j3為交流接觸器,J3的常開觸點
儀表工作狀態為:當被測壓力低壓下限設定壓力時,1、2閉合, 當被測壓力高于下限設定值且低壓上限設定值時觸點均斷開當被測壓力高于上限設定值時,1、3閉合。